

In process industries such as oil & gas, chemical manufacturing, refining, pharmaceuticals, and power generation, safety and operational reliability depend on one critical asset: accurate documentation of how the plant is actually built.
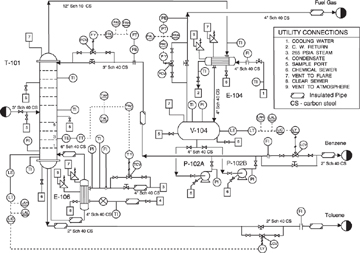
At the center of that documentation are Piping and Instrumentation Diagrams (P&IDs).
These diagrams map every valve, pump, instrument, and piping connection that keeps a facility running safely. But in many plants today, those diagrams no longer reflect reality.
Equipment gets replaced. Lines are rerouted. Temporary bypasses become permanent. And over time, P&IDs drift out of date.
When that happens, the consequences can be severe—ranging from operational inefficiencies to catastrophic safety incidents.
Modern technologies like 3D laser scanning and digital capture now provide a better way to maintain accurate as-built P&IDs that match the real facility.
This article explains:

A Piping and Instrumentation Diagram (P&ID) is a detailed engineering schematic that illustrates the interconnection between piping systems, process equipment, and instrumentation within a facility.
Unlike basic process flow diagrams, P&IDs provide detailed information about:
These diagrams serve as the primary reference document for understanding how a process system operates and is controlled.
Engineers, operators, and maintenance teams use P&IDs to:
In short, P&IDs are the operational blueprint of a plant.
Industrial facilities often contain high pressures, hazardous chemicals, complex piping networks, and automated control systems.
In these environments, even a small documentation error can lead to dangerous assumptions.
Imagine a maintenance technician preparing to isolate a pipeline for repair.
They review the P&ID and close the valve shown on the diagram.
But the diagram is outdated.
During a previous modification, an additional bypass line was added that was never documented.
The technician opens the system expecting it to be isolated—but pressure remains in the line.
The result could be:
This scenario highlights why accurate process documentation is essential to safe plant operations.
In the United States, facilities that handle highly hazardous chemicals must comply with OSHA’s Process Safety Management (PSM) standard (29 CFR 1910.119).
A core requirement of PSM is maintaining accurate Process Safety Information (PSI), which includes current P&IDs that reflect the actual as-built configuration of the plant.
Accurate diagrams support multiple PSM elements, including:
When P&IDs do not match the physical plant, these safety programs become unreliable.
This increases risk during:
For this reason, regulators and safety investigators frequently emphasize the importance of accurate process documentation.
Even plants that start with excellent documentation eventually face a common problem.
Facilities evolve.
Over years of operation, modifications occur such as:
Each modification should trigger a Management of Change (MOC) update to the documentation.
But in reality, documentation updates often lag behind the physical plant.
Eventually the drawings represent design intent rather than actual conditions.
At that point, the P&IDs are no longer a reliable safety reference.

When facilities realize their drawings are outdated, they typically perform manual field walkdowns.
This process often involves sending engineers or contractors into the plant with printed drawings to mark changes.
While this approach has been common for decades, it has serious limitations.
Industrial plants are dense and complex environments. Manual inspections can easily miss:
Tape measures and visual estimates cannot match modern digital measurement technologies.
Manual walkdowns require personnel to access:
Even experienced engineers can miss small components that may later become critical.
The result is often documentation that is close—but not fully accurate.
Modern industrial documentation increasingly begins with 3D laser scanning.
Laser scanners capture millions of measurement points across a facility to create a highly detailed digital representation called a point cloud.
These point clouds provide a precise digital replica of the facility environment.
Using laser scanning, engineers can capture:
This approach documents everything in the environment, often with millimeter-level accuracy.
Companies like AsBuilt combine advanced scanning technology with engineering verification to create reliable as-built documentation.
The typical process includes four key steps.

Terrestrial laser scanners capture millions of measurements across the facility, documenting piping, equipment, and structures in full detail.
The result is a complete digital snapshot of the plant.

The scan data is processed into a unified point cloud that engineers can explore in 3D.
This digital environment allows teams to inspect systems, verify routing, and extract accurate measurements.
Process engineers perform targeted field walkdowns to confirm details such as:
Because the entire facility has already been digitally captured, these inspections are faster and more precise.

Using the verified scan data, engineers update or create accurate P&IDs that reflect the actual plant configuration.
Deliverables may include:
Compared to traditional methods, laser scanning provides several advantages.
Every visible component is recorded during scanning, reducing the chance of missed elements.
Personnel spend less time physically navigating hazardous areas.
Digital capture eliminates measurement errors common in manual surveys.
The scan becomes a permanent reference for future engineering work.
Accurate as-built P&IDs also improve overall plant performance.
Facilities with reliable documentation experience:
Operators can identify system connections quickly.
Accurate diagrams simplify planning.
Engineering teams can plan tie-ins and modifications with confidence.
👉 Learn how Laser Scanning reduces project risk here
Laser scanning data enables initiatives such as:
Industrial facilities are becoming more complex each year.
At the same time, safety expectations, regulatory oversight, and operational efficiency requirements continue to increase.
Relying on outdated documentation processes is no longer sustainable.
By combining laser scanning, engineering expertise, and digital modeling, facilities can maintain accurate, living documentation that evolves with the plant.
At AsBuilt, the goal is simple: capture reality and translate it into documentation you can trust.
Instead of relying on manual estimates and incomplete walkdowns, the AsBuilt methodology begins with a complete digital capture of the facility.
The result is accurate P&IDs that support safety, compliance, and operational excellence.
When documentation reflects reality, teams can operate with confidence.
In process industries, accurate information saves lives.
P&IDs are foundational to safe operations, regulatory compliance, and engineering decision-making.
When those diagrams drift out of date, risk quietly accumulates.
Modern technologies like 3D laser scanning and digital as-built documentation eliminate that risk by ensuring drawings match the physical plant.
And when safety depends on documentation, accuracy is not optional.
Each project represents our commitment to accuracy and technical excellence






Talk with our team about your facility, scope, and objectives to determine the right capture, modeling, and analysis approach.
